多媒体会议室升级改造方案
会议室是政府机关、企业单位召开会议的主要场所。随着办公信息化和会议室功能多元化的普及,不少建设时间比较长的会议室,面临升级改造。建设时间较早的老旧会议室多数功能比较单一,设备基本以传统话筒、调音台、扩声设备为主。为对老旧会议室的多媒体化改造能够达到预期效果,在此分享莱湾科技会议室升级改造的项目经验,供读者参考。
以中型多媒体会议室为例,会议室基本要求包括容纳多种视音频信号的输入和输出,例如语言、音乐、图片、视频(包括远程视频)等多种媒体输入输出,要求会议室内语言清晰均匀、层次分明,图片及视频画面清晰、颜色准确,信号连接便利。更多功能包括灯光、窗帘控制、中控管理等。
以莱湾科技所承担的工程项目为例,一个中型多媒体会议室一般配置包括:数字会议系统、数字音频处理、音频扩声系统、云台摄像机、大尺寸显示器、LED大屏显示系统、多格式高清视频处理系统、远程视频交互系统、智能控制系统等。按照此配置装备的中型多媒体会议室,有效可以满足绝大多数政府、企业单位的会议需求。
系统功能
数字会议系统
主要完成会议拾音,包括固定话筒、手持无线话筒、头戴式话筒、数字会议主机、调音台等;
数字音频处理系统
完成现场声音美化,削减噪声、回声,及不良频响、混响造成的影响,多数中型会议室可以用一台数字音频处理器替代独立的回声抑制器、均衡器、延时器;
音频扩声系统
主要完成音频信号放大及播放,包括调音台、各类功放、音箱、返送音箱等;
云台摄像机
主要完成会议室画面拍摄,中型会议室可安装2-4台摄像机,有条件的可以配置品质更高的专业摄像机;
LED大屏显示系统
安装于会议室主墙面,完成图片、本地视频、远程视频的显示,对于面积不大的会议室,也可以用两个大尺寸液晶显示器代替大屏显示器;
大尺寸显示器
可用于领导席的视频返送,也可以于会场两侧,提高后排观众的观看效果;
多格式高清视频处理系统
完成全会场各路视频信号的输入输出连接;
远程视频交互系统
用于加入远程视频会议;
智能控制系统
主要完成视频、音频信号调度管理,可扩展到更多信号的控制管理。
小型会议室和大型会议室设备配置与上述配置类似,可在上述配置的基础上予以增减。多媒体会议室新建或改造时,应遵守以下原则:成熟实用、经济合理、可靠安全、可兼容可扩展。
会议室改造时,应充分考虑原有设备的合理利用,环境设计上尽量利用原场地整体环境,力求自然协调、美观舒适。应综合考虑方案设计、工程施工、设备管理、系统维护、未来系统升级的有机统一。应充分考虑系统的适用性,力戒华而不实地追求超过实际需求的高配置。
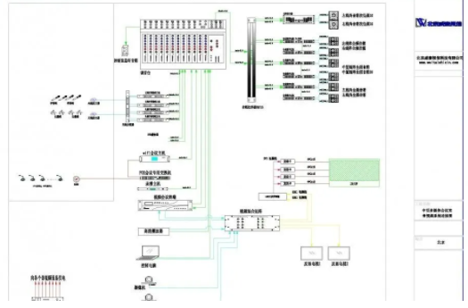
下图为中型多媒体会议室设备的配置示例,此设计方案可满足绝大多数多媒体会议室工作需求。

莱湾科技承担过上汽集团、中芯国际、中关村集团、上海银行、国投集团等多个会议室的改造和建设项目,具有各种规模会议室视音频系统方案设计经验,积累了丰富的工程施工经验,可为广大政企用户提优质的设计施工服务。
上一篇:无
下一篇:董事长会议室



